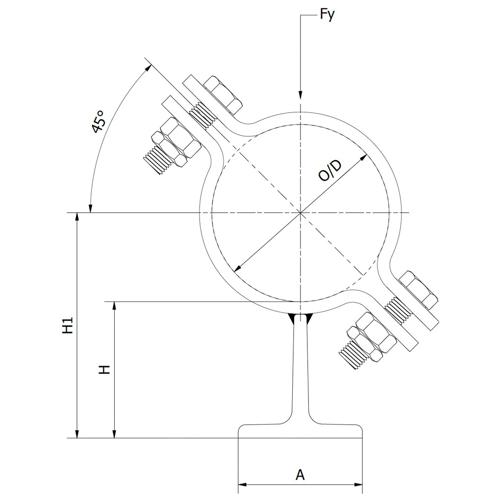
Beschrijving
| Artikelnummer | O/D inch | O/D mm | A | H | H1 | L | Fy (kN) 80ºC | Gewicht (kg) |
|---|---|---|---|---|---|---|---|---|
| 66.808.ST0022.1 | 1/2 | 21,3 | 80 | 85 | 96 | 300 | 3,3 | 3,80 |
| 66.808.ST0027.1 | 3/4 | 26,9 | 80 | 85 | 99 | 300 | 3,3 | 3,80 |
| 66.808.ST0034.1 | 1 | 33,7 | 80 | 85 | 102 | 300 | 3,3 | 3,90 |
| 66.808.ST0043.1 | 1 1/4 | 42,4 | 80 | 85 | 107 | 300 | 3,3 | 3,90 |
| 66.808.ST0049.1 | 1 1/2 | 48,3 | 80 | 85 | 110 | 300 | 3,3 | 4,00 |
| 66.808.ST0061.1 | 2 | 60,3 | 80 | 86 | 117 | 300 | 3,3 | 4,60 |
| 66.808.ST0077.1 | 2 1/2 | 76,1 | 80 | 86 | 125 | 300 | 6,6 | 4,80 |
| 66.808.ST0089.1 | 3 | 88,9 | 80 | 86 | 131 | 300 | 6,6 | 4,90 |
| 66.808.ST0115.1 | 4 | 114,3 | 80 | 88 | 146 | 300 | 11,8 | 7,10 |
| 66.808.ST0140.1 | 5 | 139,7 | 80 | 88 | 158 | 300 | 11,8 | 7,40 |
| 66.808.ST0169.1 | 6 | 168,3 | 80 | 88 | 173 | 300 | 11,8 | 7,90 |
| 66.808.ST0220.1 | 8 | 219,1 | 80 | 88 | 198 | 300 | 11,8 | 9,00 |





