Beschrijving
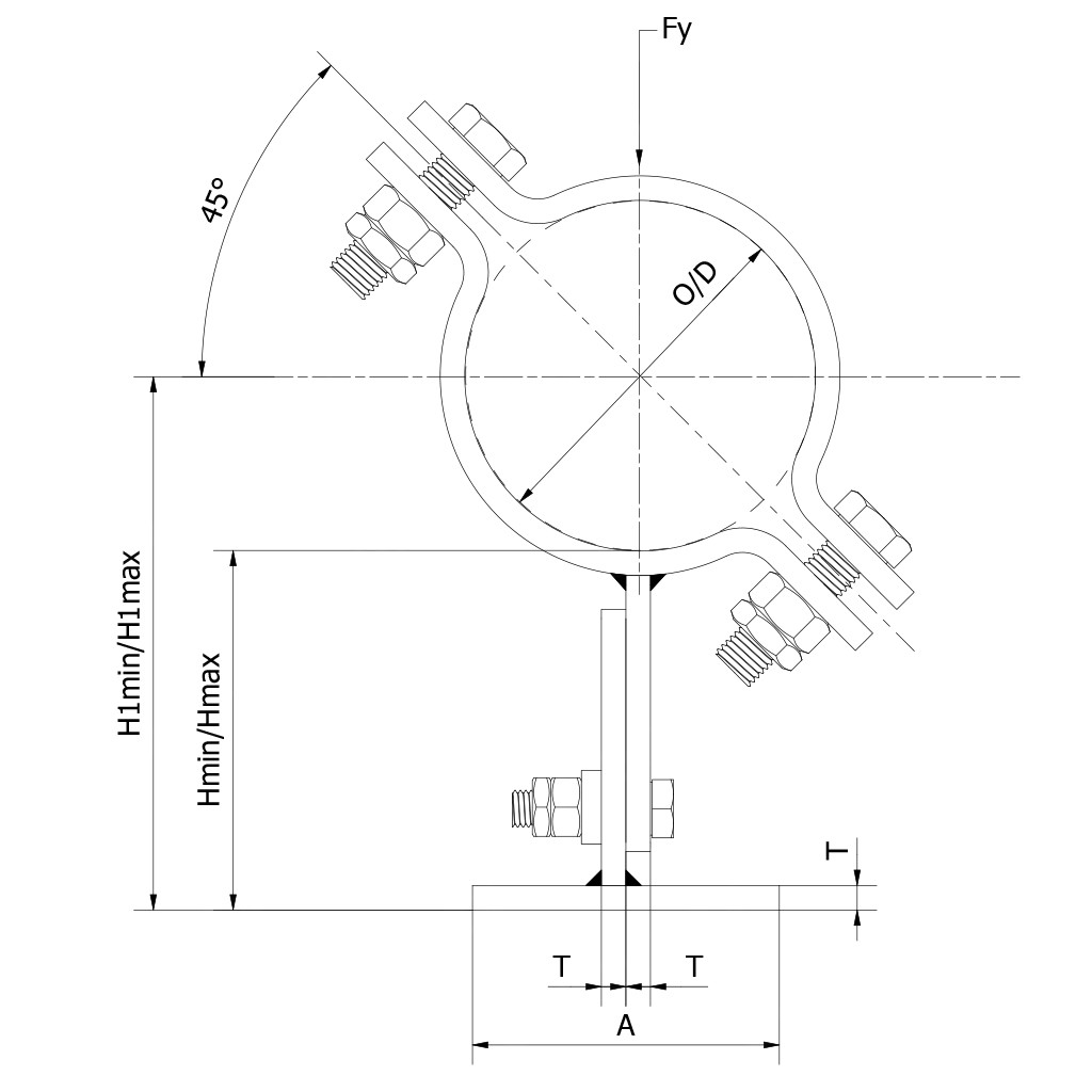
| Artikelnummer | O/D inch | O/D mm | A | H min | H max | H1 min | H1 max | L | Fy (kN) 80ºC | Gewicht (kg) |
|---|---|---|---|---|---|---|---|---|---|---|
| 66.826.ST0022.3 | 1/2 | 21,3 | 100 | 110 | 165 | 120 | 175 | 250 | 3,3 | 5,02 |
| 66.826.ST0027.3 | 3/4 | 26,9 | 100 | 110 | 165 | 123 | 178 | 250 | 3,3 | 5,08 |
| 66.826.ST0034.3 | 1 | 33,7 | 100 | 110 | 165 | 127 | 182 | 250 | 3,3 | 5,12 |
| 66.826.ST0043.3 | 1 1/4 | 42,4 | 100 | 110 | 165 | 131 | 186 | 250 | 3,3 | 5,18 |
| 66.826.ST0049.3 | 1 1/2 | 48,3 | 100 | 110 | 165 | 134 | 189 | 250 | 3,3 | 5,22 |
| 66.826.ST0061.3 | 2 | 60,3 | 100 | 110 | 165 | 140 | 195 | 250 | 3,3 | 5,86 |
| 66.826.ST0077.3 | 2 1/2 | 76,1 | 100 | 110 | 165 | 148 | 203 | 250 | 6,6 | 6,08 |
| 66.826.ST0089.3 | 3 | 88,9 | 100 | 110 | 165 | 154 | 209 | 250 | 6,6 | 6,20 |
| 66.826.ST0115.3 | 4 | 114,3 | 100 | 110 | 165 | 167 | 222 | 250 | 11,8 | 8,24 |
| 66.826.ST0140.3 | 5 | 139,7 | 100 | 110 | 165 | 180 | 235 | 250 | 11,8 | 8,64 |
| 66.826.ST0169.3 | 6 | 168,3 | 100 | 110 | 165 | 194 | 249 | 250 | 11,8 | 9,14 |
| 66.826.ST0220.3 | 8 | 219,1 | 100 | 110 | 165 | 219 | 274 | 250 | 11,8 | 10,26 |





