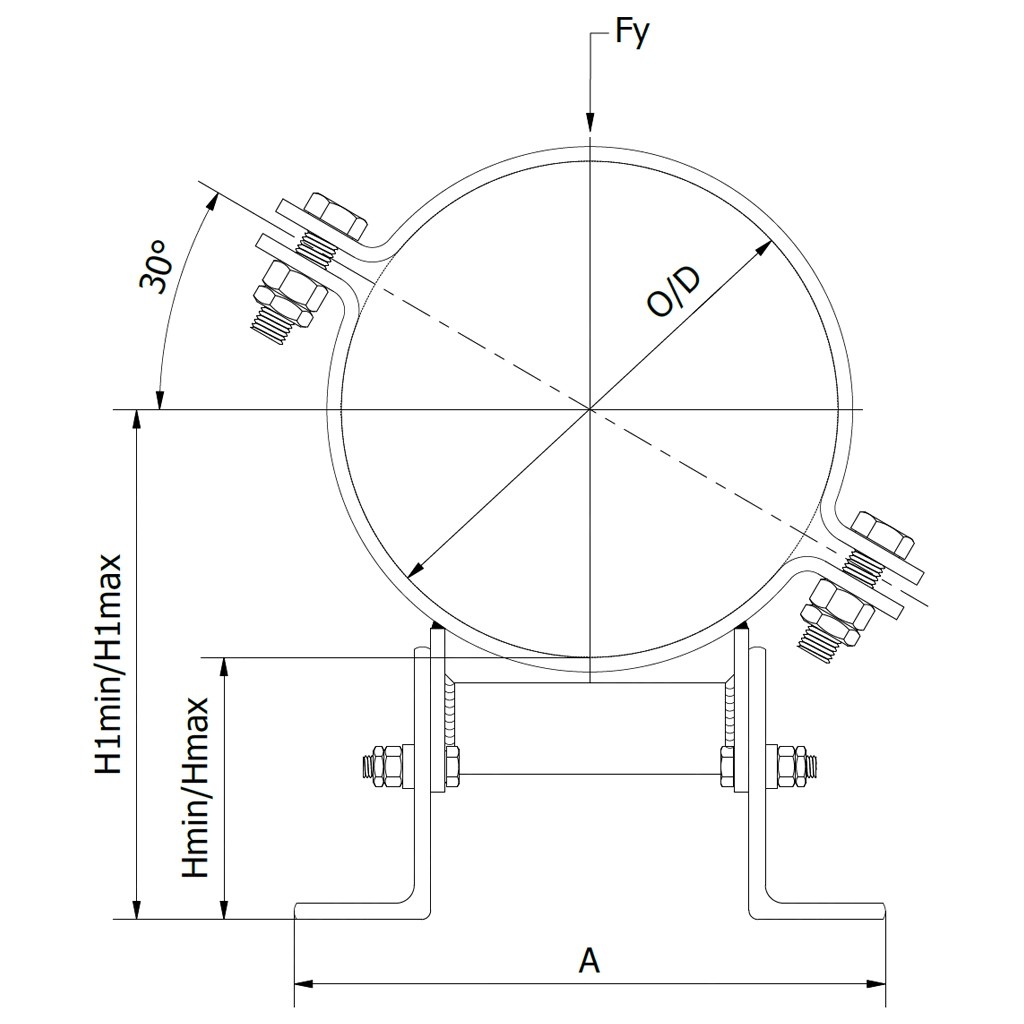
Beschrijving
| Artikelnummer | O/D inch | O/D mm | A | H min | H max | H1 min | H1 max | L | Fy (kN) 80ºC | Gewicht (kg) |
|---|---|---|---|---|---|---|---|---|---|---|
| 66.828.ST0273.3 | 10 | 273,0 | 330 | 140 | 200 | 276 | 336 | 300 | 28,4 | 22,94 |
| 66.828.ST0324.3 | 12 | 323,9 | 340 | 140 | 200 | 302 | 362 | 300 | 28,4 | 24,10 |
| 66.828.ST0356.3 | 14 | 355,6 | 350 | 140 | 200 | 317 | 377 | 300 | 28,4 | 25,30 |
| 66.828.ST0407.3 | 16 | 406,4 | 360 | 140 | 200 | 343 | 403 | 300 | 35,0 | 33,74 |
| 66.828.ST0458.3 | 18 | 457,2 | 380 | 140 | 200 | 368 | 428 | 300 | 35,0 | 35,04 |
| 66.828.ST0508.3 | 20 | 508,0 | 400 | 140 | 200 | 394 | 454 | 300 | 35,0 | 37,04 |
| 66.828.ST0610.3 | 24 | 609,6 | 420 | 140 | 200 | 444 | 504 | 300 | 35,0 | 40,44 |





