Home > Pijpbevestigingstechniek > Pijpschoenen > In hoogte verstelbare pijpschoenen > Pijpschoen Fig. 827in hoogte verstelbaar 90-150S235JR thermisch verzinkt

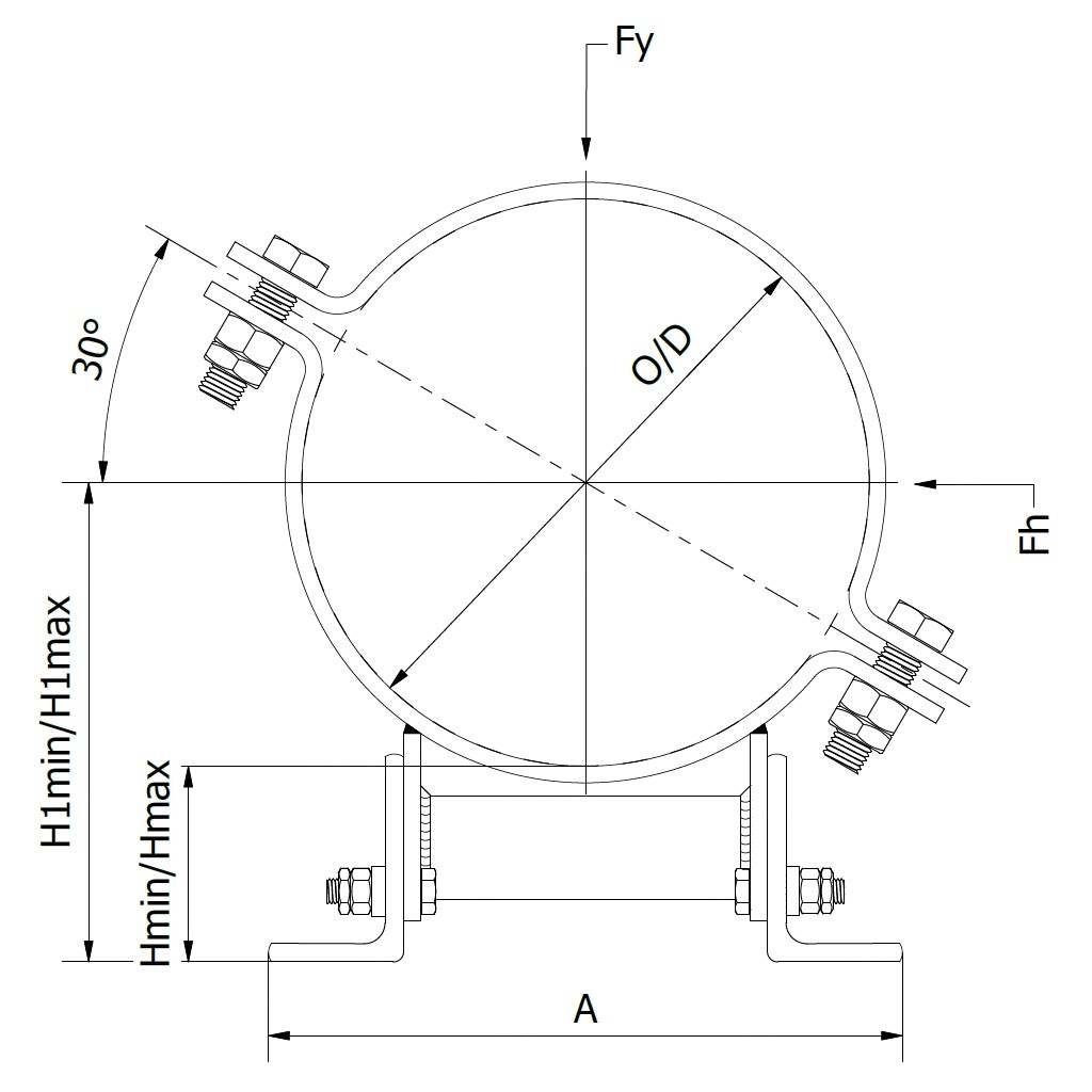
Pijpschoen Fig. 827
in hoogte verstelbaar 90-150
S235JR thermisch verzinkt

  • Materiaal S235JR volgens EN 10025-2
  • Uitvoering thermisch verzinkt
  • Pijpbeugels volgens DIN 3567 op 30°
  • Bouten volgens DIN 931/933 klasse 8.8;
    moeren volgens DIN 934/439-B klasse 8
  • Aanhaalmoment stelbout M12-80 N.m
  • Hellingshoek maximaal 8°
Artikelnummer: 8273 Categorie:

Beschrijving

Extra informatie

Artikelnummer

66.827.ST0508.3, 66.827.ST0610.3, 66.827.ST0273.3, 66.827.ST0324.3, 66.827.ST0356.3, 66.827.ST0407.3, 66.827.ST0458.3

Gerelateerde producten