Beschrijving
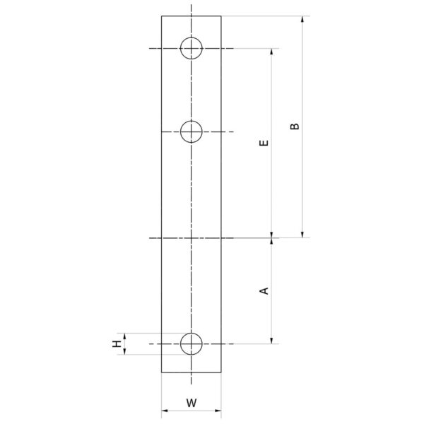
| Artikelnummer | O/D inch | O/D mm | A | B | C | E | H | R | WxT | Bout afmeting | Fy (kN) 80ºC | Gewicht (kg) |
|---|---|---|---|---|---|---|---|---|---|---|---|---|
| 66.702.ST0022.3 | 1/2 | 21,3 | 28 | 89 | 7 | 74 | 11,5 | 7 | 30x5 | M10x40 | 6,9 | 0,41 |
| 66.702.ST0027.3 | 3/4 | 26,9 | 33 | 94 | 7 | 79 | 11,5 | 7 | 30x5 | M10x40 | 6,9 | 0,44 |
| 66.702.ST0034.3 | 1 | 33,7 | 36 | 97 | 7 | 82 | 11,5 | 7 | 30x5 | M10x40 | 6,9 | 0,46 |
| 66.702.ST0043.3 | 1 1/4 | 42,4 | 41 | 102 | 7 | 87 | 11,5 | 7 | 30x5 | M10x40 | 6,9 | 0,49 |
| 66.702.ST0049.3 | 1 1/2 | 48,3 | 44 | 105 | 7 | 90 | 11,5 | 7 | 30x5 | M10x40 | 6,9 | 0,52 |
| 66.702.ST0061.3 | 2 | 60,3 | 54 | 126 | 9 | 108 | 14 | 9 | 40x6 | M12x50 | 6,9 | 0,96 |
| 66.702.ST0077.3 | 2 1/2 | 76,1 | 61 | 133 | 9 | 115 | 14 | 9 | 40x6 | M12x50 | 6,9 | 1,04 |
| 66.702.ST0089.3 | 3 | 88,9 | 68 | 140 | 9 | 122 | 14 | 9 | 40x6 | M12x50 | 6,9 | 1,13 |
| 66.702.ST0115.3 | 4 | 114,3 | 89 | 183 | 11 | 159 | 18 | 12 | 50x8 | M16x60 | 13,0 | 2,46 |
| 66.702.ST0140.3 | 5 | 139,7 | 102 | 196 | 11 | 172 | 18 | 12 | 50x8 | M16x60 | 11,3 | 2,65 |
| 66.702.ST0169.3 | 6 | 168,3 | 116 | 210 | 11 | 186 | 18 | 12 | 50x8 | M16x60 | 9,9 | 2,91 |
| 66.702.ST0220.3 | 8 | 219,1 | 142 | 236 | 11 | 212 | 18 | 12 | 50x8 | M16x60 | 8,2 | 3,48 |
| 66.702.ST0273.3 | 10 | 273,0 | 174 | 290 | 14 | 260 | 22 | 12 | 60x8 | M20x70 | 8,0 | 5,24 |
| 66.702.ST0324.3 | 12 | 323,9 | 199 | 315 | 14 | 285 | 22 | 12 | 60x8 | M20x70 | 7,1 | 5,83 |
| 66.702.ST0356.3 | 14 | 355,6 | 216 | 332 | 14 | 302 | 22 | 12 | 60x8 | M20x70 | 6,7 | 6,44 |
| 66.702.ST0407.3 | 16 | 406,4 | 249 | 389 | 18 | 353 | 27 | 15 | 70x10 | M24x90 | 10,6 | 10,90 |
| 66.702.ST0458.3 | 18 | 457,2 | 275 | 415 | 18 | 379 | 27 | 15 | 70x10 | M24x90 | 9,8 | 11,90 |
| 66.702.ST0508.3 | 20 | 508,0 | 300 | 440 | 18 | 404 | 27 | 15 | 70x10 | M24x90 | 9,2 | 12,60 |
| 66.702.ST0610.3 | 24 | 609,6 | 359 | 508 | 25 | 468 | 27 | 15 | 70x10 | M24x90 | 8,9 | 14,30 |






